近年來,耗盡型 MOSFET 日益受到重視,廣泛應用于固態繼電器、“常開”開關、線形運放、恒流源、恒壓源和開關電源等,涵蓋了家用電器、消費電子、工業控制、汽車電子、電信設施和航空航天等領域。
耗盡型 MOSFET 分為兩種類型:
N 溝道耗盡型 MOSFET,即:導電溝道為 N 型,參與導電的主要是電子,以及 P 溝道耗盡型 MOSFET,即:導電溝道為 P 型,參與導電的主要是空穴。由于電子的遷移率遠高于空穴,N 溝道耗盡型 MOSFET 具有更強的電流處理能力,得到了更廣泛地運用。
當柵極-源極電壓 VGS=0V 時,其導電溝道即已存在,器件處于開通狀態。當柵極- 源極電壓 VGS
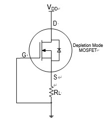
圖 1. N 溝道耗盡型 MOSFET 示意圖
利用耗盡型 MOSFET 的亞閾值特性,我們可以很方便地建立一個簡單的電壓調節器,具有高電壓調節范圍和穩定的電壓輸出。也可以組成一個穩定的恒流源。同時, 這種電壓源或電流源具有極佳的抗干擾能力,能有效地抑制瞬態電壓或浪涌電流。
圖 2. N 溝道耗盡型 MOSFET 組成的高電壓調節器示意圖
如圖 2 所示,當 VDD 增加時,流過電路的電流 IDS 增加,導致耗盡型 MOSFET 源極電位 VS 升高,即VGS 絕對值 ∣ VGS ∣ 增加,并引起器件導電溝道變窄,電流增加減緩。在此過程中負載RL 兩端的電壓VS 無限接近器件的關斷電壓∣VGS(OFF)∣,VS≈∣VGS(OFF)∣,即 VS 鉗位在∣VGS(OFF)∣處,不再隨輸入電壓 VDD 的增加而變化。負載 RL 流過的電流 IL (IL = VS / RL)也不隨輸入電壓 VDD 的增加而變化。
VDD 的最大值 VDD,MAX =BVDSX +∣VGS(OFF)∣
其中,BVDSX 為耗盡型 MOSFET 漏源極之間的擊穿電壓。
由此可以看出利用耗盡型 MOSFET 可以組成一個簡單穩定的高電壓輸入的電壓調節器或電流源,同時具有極佳的瞬態抑制能力。
利用運算放大器或電壓基準源,可以很容易實現指定的輸出電壓。
圖 3. 耗盡型 MOSFET 與運算放大器組成的電壓源示意圖
如圖 3 所示,Vo 與 Vi 具有如下關系:
Vo = Vi × ( 1
+ R2/R1 )
因此,通過配置 R2 和 R1 的組合,可以輕松確定負載的工作電壓 Vs:
Vs =Vo + ∣VGS(OFF)∣
其中, VGS(OFF)為耗盡型 MOSFET 的關斷電壓。
傳感器、變送器一般工作在惡劣環境中,使用耗盡型 MOSFET,不僅實現高電壓供電,而且還能有效抑制浪涌或瞬態干擾,保證系統安全、正常工作。
下面,以一款常用的智能變送器為例簡要說明耗盡型 MOSFET 在工業傳感器、智能變送器中的典型應用。
圖 4. 帶 HART 功能的典型智能變送器示意圖
在圖 4 中,可以選用 DMX1072 或 DMS4022 耗盡型 MOSFET,給環路供電型
4mA~20mA 數模轉換電路 AD421 供電。
DMX1072 采用 SOT-89 封裝,主要參數為:耗散功率 1W,耐壓 100V,飽和電流大于 0.7A,導通電阻最大值 3Ω,如果直接用在 4mA~20mA 供電環路中,可支持高達 24V 的電壓輸入。
DMS4022 采用 SOT-223 封裝,主要參數為:耗散功率 1.5W,耐壓 400V,飽和電流大于 200mA,導通電阻最大值 25Ω左右。采用 DMS4022,支持高達 48V 的高電壓輸入,并同時抑制高達 400V 的瞬態浪涌,對系統實行有效的過壓、過流保護,這對于諸如工業現場、電機控制、變頻調速等復雜電磁環境的應用尤為重要。 汽車中有許多電機,這些感性負載可能產生高達 300V 的電壓瞬態,因此選擇 DMS4022 能有效地防止瞬態干擾和破壞。
成都方舟微電子有限公司是國內唯一一家專注耗盡型 MOSFET 研發生產的具有領先技術的半導體企業,十幾年來,公司以先進的專利技術和豐富的研發經驗,開發了耗盡型 MOSFET 系列產品,以其豐富的產品線和可靠的品質,大量應用于消費電子、家用電器、照明、工業自動化領域。同時公司還以靈活和貼近用戶的方式,為客戶開發定制化解決方案,以滿足客戶的各類需求。
要了解DMX1072 和DMS4022 的詳細數據,請訪問網址:http://www.ark-micro.com















